Bu lông tự đứt (Bu lông S10T) cường độ cao theo tiêu chuẩn Nhật Bản được sử dụng chủ yếu cho kết cấu thép trong các công trình công nghiệp, lĩnh vực xây dựng nhà thép cao tầng, công trình giao thông, cảng biển,…đảm bảo chất lượng tốt nhất, dễ dàng thi công, lắp ráp. Bu lông tự đứt (Bu lông S10T) chỉ sử dụng trong những mối ghép có cường độ chịu lực cao.
Sự khác biệt của Bu lông tự đứt S10T so với bu lông thông thường:
- Phần đuôi của Bu lông tự đứt – bu lông tự cắt (Bu lông S10T) sẽ tự động được cắt rời khi sử dụng súng chuyên dùng để siết bu lông. Phần đuôi tự đứt đem đến sự khác biệt giữa Bu lông tự đứt (Bu lông S10T) so với các loại bu lông thông thường khác. Ngoài ra phần đuôi tự đứt giúp cố định cho bu lông không xoay để súng có thể siết thật chặt đai ốc chỉ bằng một thao tác. Sau khi hoàn thành nhiệm vụ là siết chặt, thì phần tự đứt này sẽ bị đứt rời, lúc này Bu lông tự đứt (Bu lông S10T) sẽ trở thành một bu lông bình thường.
- Bu lông tự đứt có ưu điểm là chịu lực rất tốt trong điều kiện khắc nghiệt, dễ thi công và lắp đặt kể cả những vị trí khó, tiết kiệm chi phí nhân công vì sử dụng súng siết chặt mà không cần cố định đầu Bu lông. Tuy nhiên Bu lông tự đứt S10T cũng có nhược điểm là chỉ sự dụng một lần mà không tái sử dụng lại được.
Thông số kỹ thuật của Bu lông tự đứt S10T (Bu lông tự cắt):
1. Kích thước thân bu lông


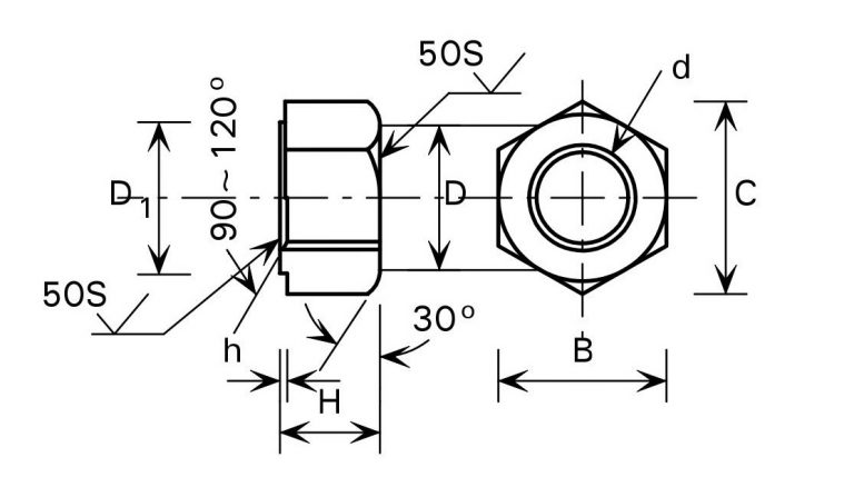
2. Kích thướcđai ốc


3. Kích thước vòng đệm

4. Thông số cấp bền của bu lông tự đứt S10T

Tiêu chuẩn: JSS-II-09
Đường kính: 16-36 mm
Chiều dài: 40-300mm
Bước ren: 1-4
Cấp bền: 10.9
Xuất xứ: Đài loan, Hàn Quốc, Trung Quốc,…
Bề mặt: Đen, Trắng, Zincromat